Stramit Exacta® C&Z Purlins and Girts are manufactured from hi-tensile GALVASPAN® steel, with a minimum Z350 galvanised coating (350g/m2) or ZAM™ coated steel conforming to AS1397.
Contact your local Stramit office to discuss other coatings, grades and materials options.
Stramit account holders can buy Stramit Exacta® C&Z Purlins and Girts from their local Stramit office. We do not sell direct to the public but our products are stocked by retail outlets across Australia.
This product is available Australia-wide. Lead times may vary depending on location.
Check out Stramit’s latest news, product releases and updates, and case studies featuring our quality Aussie-made steel products.
Stramit Exacta® C&Z Purlins and Girts will give excellent durability in most applications. GALVASPAN® steel is not recommended for use within 450mm of moist soil. Unwashed areas subject to salt-laden air or other corrosive matter may need additional protection. In many cases, such protection can be provided by using ZAM® coating.
Stramit recommends that all designs conform to relevant Australian Standards such as AS1170 series (Loading Codes) and AS4600 (cold-formed steel structures).
Stramit manufactures three bridging products, which have been developed for quick installation and optimum compatibility with Stramit's purlins and girts. These include:
Stramit® Bridging is manufactured from GALVASPAN® steel, with a minimum Z350 galvanised coating (350g/m2) or ZAM® coated steel conforming to AS1397. Other coatings, grades and materials may be available, subject to inquiry.
Stramit's boltless and bolted bridging systems are intended for installation with pre-installed purlins or girts. These systems can only be used with pre-assembled sections to be lifted into place if provision has been made to accommodate the additional force that may be encountered.
All of our bridging products are suitable for use with AISC industry standard hole size and centres. The Stramit Purlins, Girts and Bridging Detailing and Installation Guide has the full details on the bridging components and the installation details required for applications where the bridging is installed either up or down the roof slope.
Contact between Stramit Exacta® C&Z Purlins and Girts and copper (eg pipework) must be avoided as premature corrosion will occur.
Stramit structural products should be handled with care.
Packs should always be kept dry and stored above ground level while on site. If the sections have become wet, they should be separated, wiped and placed in the open to promote drying.
Stramit Exacta® C&Z Purlins and Girts are supplied cut to length. If you are designing or transporting long products ensure that the length is within the limit of the local Transport Authority regulations.
All sections are custom-cut to length from 0.6m to 15.0m. For longer lengths, contact your local Stramit office to determine special transport arrangements.
Lengths less than 1.5m will be supplied 'sausage' style in a continuous run approximately 5m long with only a small uncut tag connecting the purlin. Simply break off individual purlins on site. Although supplied in a string, each purlin has individual marking labels.
Stramit's structural products are protected in Australia by registered designs.
Contact our technical services consultants if you require further information or advice for your local conditions and practices.
Stramit Research and Development has carried out numerous in-house tests on both purlins and/or girt bridging. In addition a comprehensive purlin test program at Sydney University has been used in the substantiation of Stramit's design capacity tables.
All Stramit Exacta® C&Z Purlins and Girts sections are produced within the following tolerances:
Maintaining the correct specification of purlins, girts and bridging is very important. Even a small change in specification can lead to substantial reduction in performance. A suggested specification is as follows.
All purlins and girts shall be Stramit Exacta® C&Z Purlins and Girts used with Stramit®Bridging or approved equivalent, supported by submission of section properties, purlin capacity calculations, and a performance warranty, produced and detailed for this project.
All sections shall be produced from galvanised steel with a coating mass of at least 350g/m2, or ZAM® coated steel to AS1397. All sections should be installed in accordance with the manufacturer’s instructions with particular regard to bridging and bolt locations and lap sizes.
Where required for structural or installation purposes, Stramit®Bridging shall be installed using pre-made components to manufacturer’s instructions. All other purlin accessories shall be supplied by Stramit.
A NATSPEC work section is available for this product. Download
Bolting of Stramit Exacta® C&Z Purlins or Girts to cleats and at lapped joints should be by standard M12 grade 4.6 bolts unless the shear capacity of the bolt is exceeded as indicated in the design Capacity Tables. If so, bolts will need to be upgraded to grade 8.8 bolts.
For 300 series purlins use M16 or M16 grade 8.8 as indicated in the tables. Always use the correct size and grade of bolts, ensuring all bolts are securely tightened.
Bridging used with girts may be subjected to compressive (or tensile) loading due to gravity during installation. These loads become cumulative with increasing wall height, unless a separation joint is included.
The capacity of Stramit® Boltless Bridging, Stramit® Bolted Bridging and Stramit® Large Series Bridging to resist these loads is given in the Stramit Exacta® Purlins and Girts Product Technical Manual. These capacities are based on the mass of the girts plus a 1.1kN load to allow for riggers.
Bridging provides resistance to purlin rotation during the installation of roof and wall sheeting. For this reason a maximum bridging (or bridging to cleat) spacing of 20 x purlin depth, but no greater than 4000, is recommended. Failure to do so can lead to misaligned fastenings, causing additional stresses on the fasteners and roof sheeting. Excessive purlin rotation can be a safety hazard during construction.
Stramit therefore recommends that at least one row of bridging be used in each purlin span. Stramit® Bridging is only designed to allow purlins and girts to resist wind loads once the sheeting has been attached. Purlins, girts and bridging should not be subjected to loading from stacked materials, even when sheeting is attached, or from lifting assemblies of framing.
The Stramit® Exacta C&Z Purlins Product Technical Manual incorporates both design capacity tables (load tables) and design member moment capacities. The latter enables engineers to input properties and capacities into their preferred structural analysis software.
With this capability, it is practical to select purlin (and girt) configurations that are outside those listed in the design capacity tables. In particular it allows the analysis of irregular purlin configurations and complex loading patterns.
The design capacity load tables incorporate different span types, up to 3 rows of bridging, inward or outward loadings and deflection criteria all based on UDL loading.
All Stramit C or Z Purlins and Girts may be available with downturn lips for special projects. Purlins of this shape cannot normally be lapped and are usually used in single or short double span construction.
Stramit can supply lappable Zs, subject to inquiry, providing a unique section that offers strength and economy as well as a downturned lip.
Please contact your local Stramit office for details on availability, minimum order quantity and delivery lead times. Remember to allow additional cleat length for clearance between the downturn lips and the support beam.
Stramit EX-Facta™ Design Software allows designers to use the properties of Stramit Exacta® purlins under actual site conditions rather than using the simple UDL load tables in a traditional load table.
The interactive software offers:
Fascia purlins (either specifically designed or Stramit Exacta® C purlin) are normally subjected to lower loads and are usually restrained by sheeting attached to the top flange and lower lip.
However should the fascia purlin support the wall girts via the fascia bridging system, ensure sufficient allowance is made to carry this extra load.
Stramit Exacta® C&Z Purlins and Girts are custom punched to project requirements. Standard hole size is 18x22mm. Recommended web hole centres are:
Stramit generally recommends a lap length of 15% of the span. Lapped Span Design Capacity tables (including continuous) are based on a 15% lap. Where span lengths are unequal (eg reduced end spans) each purlin should have 7.5% of each adjacent span added as the lap length on that spans side of the support.
The lap length however, can be varied, and the design verified using Stramit Purlin design software. This allows unsymmetrical laps, or longer laps that improve the purlin capacity.
Stramit Exacta® C&Z Purlins & Girts are manufactured from Z350 galvanised coating (350g/m2) or ZAM® coated steel conforming to AS1397. Other coatings, grades and materials may be available, subject to inquiry.
The mass and steel grade for each Stramit Exacta® purlin is detailed in the Sizes section.
Please refer to the Stramit Exacta Purlin and Girts Technical Manual for the full and effective section properties. Any designs carried out using the printed section properties should be calculated using AS/NZS 4600.
The standard size and thickness range is in accordance with the table below.
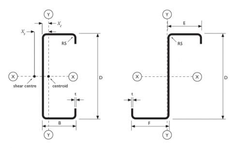
Exacta® C-Sections are mono-symmetric and their freestanding, stable shape allows easy handling and storage. They are adaptable to 'I' and 'Box' configurations.
The Exacta® Z section range is asymmetric. The uneven flanges allow the sections to be lapped to permit structural continuity, a factor that contributes significantly to building economy. The savings achieved by lapping Z sections, with the increase in strength and rigidity, more than compensates for the extra purlin material in the lap itself.


Purlin spacing is influenced by both member and roof sheeting capacity. On large and medium sized buildings it is generally more economical to reduce the purlin or girt spacing at the building edge and ends to account for the higher wind pressures.
Additional intermediate runs of purlins can be positioned in the highest loaded areas. Also remember to close purlin spacing (or add additional purlins) around roof penetrations and in areas of increased loading (eg air conditioning plant).

For special or large projects, Stramit can produce purlins outside the standard size range. These include:
We can also calculate the performance of these special sections to suit project specifications.
Loads to be suspended from roof purlins must be accounted for in design. No allowance is made for this in the Capacity Tables. Any such loadings must be connected to the purlin web by using hangers and/or screws.
Attachments to the purlin bottom flange must be within 25mm to the web. Connection design should follow the rules within AS/NZS 4600, including a check on bearing of the purlin. Loads should not be suspended from wall girts.
Stramit® Bridging can be installed either up or down the roof slope, but cannot be mixed within a bridging run. However, as the starting and finishing components are different, the direction of fixing must be determined at the design/procurement phase.
Girt bridging must not exceed its compressive capacity. Where more than one row is to be installed, always complete the bridging for each girt before commencing on the next.
If the lower web hole in a lap is used for attaching fly bracing ensure that an additional bolt is used.
Purlin laps must be bolted in the top web hole and the lower flange holes at both ends of the lap as shown below. Bolting only in the web of lapped purlins does not provide full structural continuity and excessive loads could be placed on to roofing screws that penetrate both purlins within a lapped region.

Consideration should be given to handling and installation issues as part of site induction safety procedures. Specific consideration should be given to pack handling, and avoidance of cuts, trips, slips and falls, long section handling, particularly in windy conditions, and surface temperature on sunny days.
Wear safety glasses with side shields when cutting or trimming product. Cut resistant or leather gloves should be worn when handling product. Foot protection should be warn when handling and transporting product.
Stramit recommends that good trade practice be followed when using these products, as outlined in AISC/Australian Standards HB62 part 1 and HB39.
Stramit Exacta®C&Z Purlins and Girts are not designed to be walked on. Residual oil may be present on these components from manufacturing. Do not walk on purlins or bridging.
Stramit does not recommend the welding or hot cutting of purlins, girts or bridging. The heat produced in welding will affect the material properties of the high-yield strength cold-formed steel used by Stramit in its purlins.
In many instances considerable stress concentrations are likely to arise, even with good quality welding. In addition, welding will locally remove the protective coating, leading to a potential reduction in durability.